Gasket Profile EKT-G04

SKU: EKT-G04

Box Contains
48 pieces
Default Length
250.00 cm
Dimension Type
Both
Available Colors
Gray In Stock
Quick Links
Description
The G04 refrigerator door gasket by EKT Gasket is engineered for high-performance sealing in industrial refrigerators, freezers, and cold rooms. It ensures maximum energy efficiency and long-term durability under heavy use.

🛠 Technical Specifications:
Material:
High-quality Food Grade PVC.

Temperature Range:
Operates from -40°C to +70°C while maintaining flexibility.
Applications:
Commercial refrigerators and freezers
Cold storage doors
Food display equipment
Chemical Resistance:
Resists oils, greases, detergents, and sanitizers.
Flexibility & Hardness:
Shore A 65 ±5 for optimal sealing.

Installation Method:
Push-in fit
Optional magnetic seal available
Magnetic Seal:
High-strength magnet with up to 1200 Gauss holding force.

Certifications:
FDA compliant
RoHS certified
REACH compliant

Service Life:
Designed to last up to 10 years under normal operating conditions.

Available Colors:
White, Light Grey, Black (custom colors upon request).

Customization Options:
Custom lengths and dimensions
Magnetic or non-magnetic versions

Additional Features:
UV-resistant for outdoor or high-light exposure environments.

❓ FAQs:
Is G04 suitable for heavy-duty use?
Yes, it is designed for industrial and commercial environments.

Can I request custom sizes?
Absolutely! We offer made-to-measure gaskets.

Is the material antibacterial?
Yes, it's made from Food Grade materials resistant to bacterial growth.

📈 Why Choose EKT Gasket G04?
High-quality local manufacturing
Over 15 years of industry experience
Fast shipping across GCC and the Middle East
Free technical support
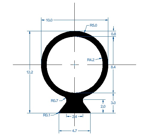
Dimension Specifications
Plug to Plug Measurements
Plug to Plug Dimensions
External Measurements
External Dimensions
Magnetic Compatible
Strong Magnetic Strip  8.7 mm x 2.2mm
Strong Magnetic Strip 8.7 mm x 2.2mm
Magnet SKU
MAGNETIC-STRIP-01
Color
Black
Default Roll Length
250.00 cm
Magnet Per CM
1.000 pcs
Reference Number Manufacturer Type Details
1022 LF OEM
39 EMMEPLAST OEM
73-M DSU OEM
9153 GEV OEM
FSLG09 fridge-seal OEM
JPC-112N GASKETLINE OEM

LF
1
  • 1022 OEM
EMMEPLAST
1
  • 39 OEM
DSU
1
  • 73-M OEM
GEV
1
  • 9153 OEM
fridge-seal
1
  • FSLG09 OEM
GASKETLINE
1
  • JPC-112N OEM
Showing 1 to 20 of 111 results
« Previous Next »
BRAND PART NUMBER DIMENSIONS CONFIGURATION ACTIONS
GAMKO GAMKO
6110545 121.80 × 89.40 cm
External
4 sided
GAMKO GAMKO
6110475 90.00 × 84.80 cm
External
4 sided
GAMKO GAMKO
6110541 75.10 × 27.90 cm
External
4 sided
GAMKO GAMKO
6110558 76.40 × 60.90 cm
External
4 sided
GAMKO GAMKO
6110537 76.40 × 29.90 cm
External
4 sided
GAMKO GAMKO
6110536 76.40 × 51.10 cm
External
4 sided
GAMKO GAMKO
6110555 76.40 × 53.90 cm
External
4 sided
GAMKO GAMKO
6110492 75.00 × 49.50 cm
External
4 sided
GAMKO GAMKO
902561 50.30 × 23.60 cm
External
4 sided
GAMKO GAMKO
902570 76.40 × 29.90 cm
External
4 sided
GAMKO GAMKO
902563 50.30 × 30.60 cm
External
4 sided
GAMKO GAMKO
6110495 63.70 × 41.30 cm
External
4 sided
GAMKO GAMKO
6110602 70.10 × 56.90 cm
External
4 sided
GAMKO GAMKO
6110487 71.90 × 51.40 cm
External
4 sided
GAMKO GAMKO
6110603 70.10 × 51.40 cm
External
4 sided
GAMKO GAMKO
6110493 76.40 × 33.90 cm
External
4 sided
GAMKO GAMKO
6110551 102.40 × 89.00 cm
External
4 sided
GAMKO GAMKO
902562 50.30 × 43.20 cm
External
4 sided
GAMKO GAMKO
6110550 189.40 × 93.00 cm
External
4 sided
GAMKO GAMKO
6110502 112.40 × 68.10 cm
External
4 sided
Installation Guide
Installation Tips:
  • Watch the installation video for proper guidance
  • Ensure surface is clean and dry before installation
  • Follow the recommended measurements for optimal fit
Price Calculator
Gray In Stock
pcs
Total Price:
Login to Add to Cart

Related Products

Gasket Profile EKT-G22
Gasket Profile EKT-G22

EKT-G22

Frame/Box View Details
Gasket Profile EKT-G25
Gasket Profile EKT-G25

EKT-G25

Frame/Box View Details
Gasket Profile EKT-G28
Gasket Profile EKT-G28

EKT-G28

Frame/Box View Details
Gasket Profile EKT-G31
Gasket Profile EKT-G31

EKT-G31

Frame/Box View Details
We're here to help! 👋 Chat with us